首页
学习
活动
专区
圈层
工具
发布
社区首页 >专栏 >18种单按钮控制启停的PLC程序

18种单按钮控制启停的PLC程序

作者头像
科控物联
发布2026-03-19 13:40:39
发布2026-03-19 13:40:39
1880
举报

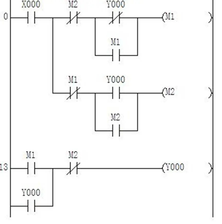
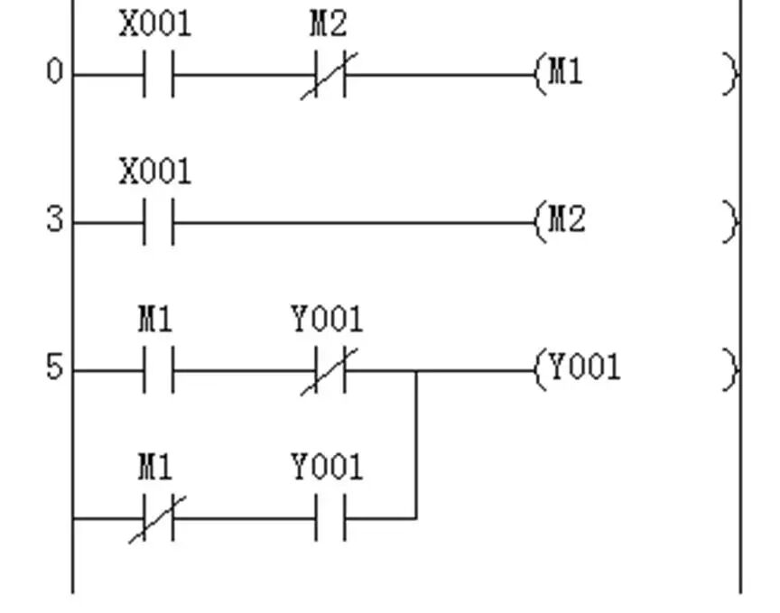
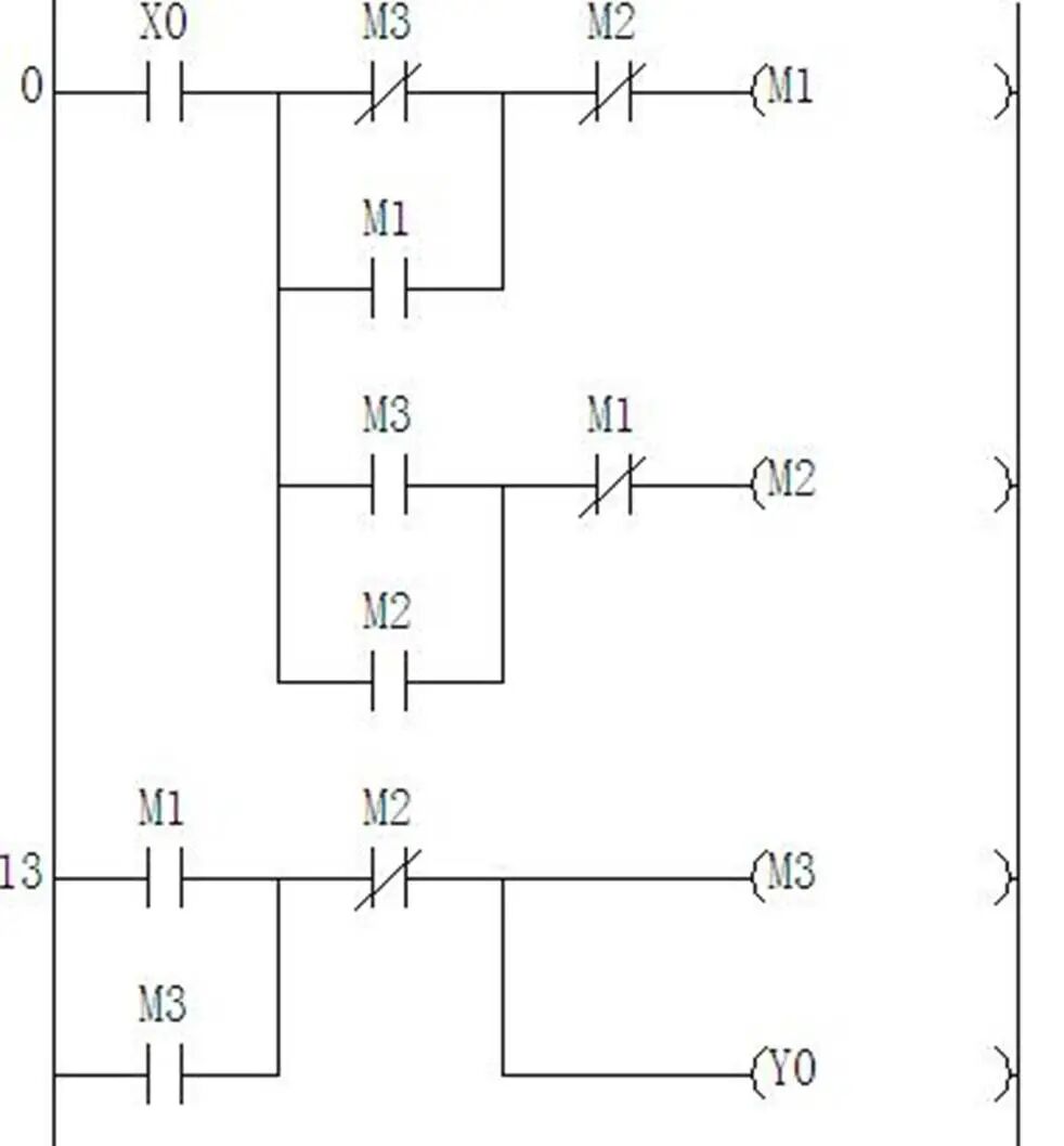
以三菱PLC举例。提供18种单按钮启停的程序。

1

2

3

4

5

6

7

8

9

10

11

12

13

14

15

16

17

18

最最经典的是第12种方式。只有最基本的指令来实现。

下图是西门子PLC的实现【和三菱12种一样的方式】

本文参与 腾讯云自媒体同步曝光计划,分享自微信公众号。
原始发表:2026-01-18,如有侵权请联系 cloudcommunity@tencent.com 删除

本文分享自 科控物联 微信公众号,前往查看

如有侵权,请联系 cloudcommunity@tencent.com 删除。

本文参与 腾讯云自媒体同步曝光计划  ,欢迎热爱写作的你一起参与!

评论
登录后参与评论
0 条评论
热度
最新
推荐阅读
领券
问题归档专栏文章快讯文章归档关键词归档开发者手册归档开发者手册 Section 归档